Доставка по всей России!
Воздухосборник-ресивер для кислорода имеет прямое назначения хранения под определенным давлением или передачи в различные системы газообразных сред. Завод резервуаров и негабаритных металлоконструкций рекомендует приобретать только качественное оборудование, производимое на проверенных материалах, с соблюдением норм международного характера по конструкционным стандартам, а также требованиями к безопасности.
Кислород, в обычном состоянии представляющий собой газ, для промышленных целей хранится в сжиженном виде, под давлением не менее 16 МПа. В этом случае требуется внедрение определенных емкостей, соответствующих по применению и нормам безопасности современным стандартам. Обычной сферой использования ресиверов, одновременно являющихся воздухосборниками можно назвать следующие направления:
Достаточно широкий спектр возможностей применения создает значительный спрос на подобные агрегаты. Поставщик гарантирует высококачественное исполнение, которое в первую очередь зависит от подбора специализированного материала.
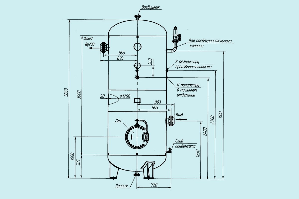
Корпус изготавливается из сварных конструкций (цилиндр и два эллиптических днища) определенных сортов стали. Как правило, это марки 09Г2с и 10Г2С1 для районов эксплуатации с пониженными температурными показателями, а также стали типа Ст3сп и Ст3пс для умеренных климатов.
Схема будущего резервуара проектируется по потребностям потребителя, но с соблюдением норм ТУ 3615-002-00217314-99 или ТУ 4591-001-72081725.
|
Объем (м3) |
Диаметр (мм) |
Высота (мм) |
Масса (кг) |
|
|
ресивера |
цилиндра корпуса |
|||
|
0,5 |
600 |
2000 |
1500 |
295 |
|
1 |
800 |
2340 |
1700 |
415 |
|
1,6 |
1000 |
2300 |
1600 |
695 |
|
2 |
2900 |
2200 |
800 |
|
|
3,2 |
1200 |
3160 |
2300 |
1195 |
|
4 |
3860 |
3000 |
1385 |
|
|
6,3 |
1400 |
4565 |
3600 |
1830 |
|
8 |
1600 |
4415 |
3300 |
1995 |
|
10 |
5515 |
4400 |
2445 |
|
|
16 |
2000 |
5520 |
4200 |
3785 |
|
20 |
6870 |
5400 |
4455 |
|
|
25 |
2200 |
7155 |
5600 |
5285 |
|
32 |
2400 |
7775 |
6000 |
7395 |
|
40 |
9775 |
8000 |
9695 |
|
|
50 |
11775 |
10000 |
11705 |
|
Поставщик предлагает вертикальное или горизонтальное исполнение – в зависимости от возможностей размещения. Резервуар может работать отдельным узлом, либо в совокупности нескольких идентичных ресиверов, с возможностью точной настройки эксплуатации.
Завод РиНМ предлагает высококачественное оборудование, внедряемое в ответственные узлы. Специалисты поставщика предлагают услуги по проектированию отдельных элементов систем хранения разнообразных газовых сред, а также больших комплексных схем, эксплуатирующих ресиверное оборудование. Воздухосборник-ресивер для кислорода, изготовленный на мощностях производителя – надежное, функциональное устройство.

Цены от производителя
Гарантия качества
Комплектация объектов под ключ
Производим монтаж/демонтаж
Оперативная доставка в любой регион
Быстрые сроки поставки,
четкое соблюдение сроков
Персональный подход
Гарантийное обслуживание
Разработка КМД от 2-х
рабочих дней
Составление КП от 15 минут
Подготовим коммерческое предложение
с учетом ваших индивидуальных технических требований
Чтобы избавить Вас от необходимости поиска логистической компании, мы готовы взять на себя работу по осуществлению доставки оборудования на Ваш объект.
Преимущества осуществления доставки при помощи нашей компании:
Свяжитесь с нашим менеджером по телефону или через форму сайта и мы подготовим для Вас расчет.